
EVデッキはデッキ合成スラブとして唯一、45分準耐火構造認定を取得しています。
デッキ溝幅が狭いためコンクリート重量を減らすことができ、アパートや店舗付き住宅に最適です。

| 品名 | 標準品 | エンドクローズ形状 | 溝部の換算 スラブ厚さ |
|---|---|---|---|
| EV50 | ![]() |
![]() |
12mm |
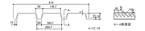
| 品名 | 板厚 (mm) |
製品質量 | 断面性能 | |||||||
|---|---|---|---|---|---|---|---|---|---|---|
| 亜鉛めっきなし*1 | 亜鉛めっき*2(Z12・K12) | 亜鉛めっき*2(Z27・K27) | 断面二次 モーメント (cm4/m) |
正曲げ用 断面係数 (cm3/m) |
負曲げ用 断面係数 (cm3/m) |
|||||
| 単位質量 (kg/m) |
m2当質量 (kg/m2) |
単位質量 (kg/m) |
m2当質量 (kg/m2) |
単位質量 (kg/m) |
m2当質量 (kg/m2) |
|||||
| EV50 | 1.2 | 8.21 | 13.4 | 8.37 | 13.6 | 8.55 | 13.9 | 60.5 | 16.0 | 17.6 |
| 1.6 | 10.9 | 17.8 | 11.0 | 17.9 | 11.2 | 18.2 | 78.5 | 21.6 | 22.9 | |


| 耐火区分 認定番号 |
使用条件 | 断面条件 | 接合仕様 | |||||||||
|---|---|---|---|---|---|---|---|---|---|---|---|---|
| 支持 条件 |
許容*1 スパン (m) |
許容*2 積載荷重 (kN/m2) |
デッキ 板厚 (mm) |
コンクリート | ひび割れ*3 拡大防止筋 |
耐火 補強筋 |
頭付き スタッド |
焼抜き 栓溶接 |
発射打 込み鋲 |
|||
| 山上厚さ (mm) |
Fc (N/mm2) |
|||||||||||
| 床2時間 FP120FL- |
9108 | 連続 | 2.7 | 3.5 | 1.2 1.6 |
普通100 |
18~24 | φ6-100×100 D10-200×200 |
不要 | ○ | ○ | ○ |
| 軽量90 | φ6-150×150 D10-200×200 |
|||||||||||
| 床1時間 FP060FL- |
9096 | 連続 | 2.7 | 3.9 | 普通80 軽量70 |
φ6-150×150 D10-200×200 |
不要 | ○ | ○ | ○ | ||
| 9102 | 単純 | 2.5 | 2.9 | 普通80 | φ6-150×150の 二段配筋 |
○ | ○ | ○ | ||||
| 準耐火床45分 QF045FL- |
0007 | 単純 連続 |
2.4 | 2.4 | 普通50 | φ6-150×150 D10-200×200 |
不要 | ○ | ○ | × | ||