
フラットデッキは、型枠専用に開発されたデッキプレートです。
現場での仮設材や廃材を低減でき、環境にも優しいエコな商品です。

一般社団法人公共建築協会の技術評価 「評価第 941-0100A005号」 を取得している信頼性の高いフラットデッキです。

| 品名 | 形状・寸法(mm) | ||
|---|---|---|---|
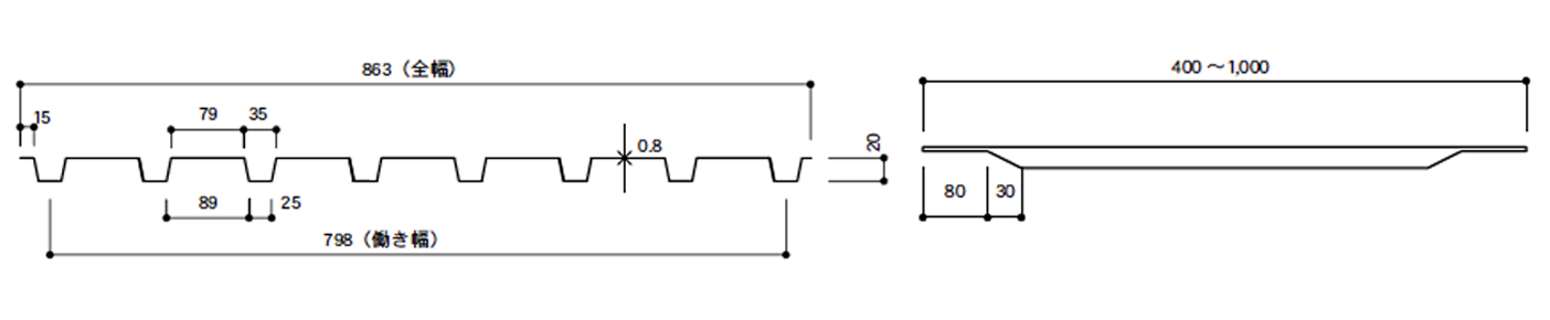
| 標準タイプ (SF) |
![]() |
![]() |
|
| 役物 Aタイプ (SFA) |
![]() |
||
| 役物 Bタイプ (SFB) |
![]() |
||
| 役物 Cタイプ (SFC) |
![]() |
||
| KPエンクロ (KP-ES-T) |
![]() |
||
| SFキーストン (SFKP) |
![]() |
||
| Pタイプ (調整版) (SFPR) |
![]() |
||
| z金物*3 (SFZ) |
![]() |
||
| 品名 | 板厚 (mm) |
単位質量(z12) (kg/m) |
m2当質量(z12) (kg/m2) |
短期許容応力度 (N/mm2) |
断面二次モーメント (X104 mm4/m) |
断面係数 (X103 mm3/m) |
許容支圧荷重 (N/m) |
|---|---|---|---|---|---|---|---|
| SF | 0.8 | 7.90 | 12.5 | 205 | 120 | 18.7 | 9,800 |
| 1.0 | 9.80 | 15.6 | 150 | 24.4 | 14,700 | ||
| 1.2 | 11.7 | 18.6 | 180 | 29.4 | 19,600 | ||
| 1.4 | 13.6 | 21.6 | 206 | 34.4 | 19,600 | ||
| 1.6 | 15.4 | 24.4 | 232 | 39.3 | 19,600 | ||
| KP-ES-T | 0.8 | 5.89 | 10.1 | 12.2 | 9.80 | - | |
| SFKP | 0.8 | 7.01 | 8.78 | 6.12 | 4.22 | - | |
| SFZ | 3.2 | 4.19 | - | - | - | - | - |
|
|
|
|