
「セーフティフラット エコタイプ(商品名)」は、「フラットデッキ(商品名:セーフティフラット)」の平板部に小さいリブを設けることによって断面性能を向上させ、従来より板厚が小さい断面で設計が可能になります。もちろん施工性等については従来と変わりません。
従来の「セーフティフラット(商品名)」よりも軽量化が図れる「セーフティフラット エコタイプ(商品名)」のご使用をお奨めいたします。

| 品名 | 形状・寸法(mm) | ||
|---|---|---|---|
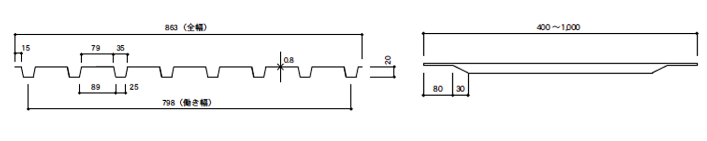
| 標準タイプ (SFエコ) |
![]() |
|
|
| 役物 Aタイプ (SFエコA) |
![]() |
||
| 役物 Bタイプ (SFエコB) |
![]() |
||
| 役物 Cタイプ (SFエコC) |
![]() |
||
| KPエンクロ (KP-ES-T) |
![]() |
||
| SFキーストン (SFKP) |
![]() |
||
| Pタイプ (調整版) (SFPR) |
![]() |
||
| z金物*3 (SFエコZ) |
![]() |
||
| 品名 | 板厚 (mm) |
単位質量(z12) (kg/m) |
m2当質量(z12) (kg/m2) |
短期許容応力度 (N/mm2) |
断面二次モーメント (X104 mm4/m) |
断面係数 (X103 mm3/m) |
許容支圧荷重 (N/m) |
|---|---|---|---|---|---|---|---|
SFエコ SFエコA SFエコB SFエコC |
0.8 | 7.99 | 12.7 | 235 | 132 | 22.0 | 9,800 |
| 1.0 | 9.92 | 15.7 | 205 | 165 | 27.7 | 14,700 | |
| 1.2 | 11.8 | 18.7 | 197 | 33.4 | 19,600 | ||
| 1.4 | 13.8 | 21.9 | 230 | 39.1 | 19,600 | ||
| 1.6 | 15.7 | 24.9 | 262 | 44.9 | 19,600 | ||
| KP-ES-T | 0.8 | 5.89 | 10.1 | 12.2 | 9.80 | - | |
| SFKP | 0.8 | 7.01 | 8.78 | 6.12 | 4.22 | - | |
| SFエコZ | 3.2 | 4.31 | - | - | - | - | - |
|
|
|
|