LIGHT GAUGE SECTION
Tolerances | Section Properties Lip channel section1 | Section Properties Lip channel section2 | Section Properties Light channel section
JIS Standard (JIS G 3350)
|
Tolerances
|
Chemical Composition
Mechanical Properties
|
|||||||||||||||||||||||||||||||||||||||||||||||||||||||||||||||||||||

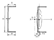
Section Properties Lip channel section
Dimensions(mm-size)
| Dimensions | Mass | Area | Center of gravity | Moment of inertia | Radius of gyration | Elastic section modulus | Shear center | ||||||
|---|---|---|---|---|---|---|---|---|---|---|---|---|---|
| HxA | t | Cx | Cy | Ix | Iy | ix | iy | Zx | Zy | Sx | Sy | ||
| mm | mm | kg/m | cm2 | cm | cm | cm4 | cm4 | cm | cm | cm3 | cm3 | cm | cm |
| 100x50 | 3.2 | 4.760 | 6.063 | 0 | 1.40 | 93.60 | 14.90 | 3.93 | 1.57 | 18.70 | 4.15 | 3.1 | 0 |
| 2.3 | 3.470 | 4.426 | 0 | 1.36 | 69.90 | 11.10 | 3.97 | 1.58 | 14.00 | 3.04 | 3.1 | 0 | |
| 100x40 | 3.2 | 4.260 | 5.423 | 0 | 1.03 | 78.60 | 07.99 | 3.81 | 1.21 | 15.70 | 2.69 | 2.2 | 0 |
| 2.3 | 3.110 | 3.966 | 0 | 0.99 | 58.90 | 05.96 | 3.85 | 1.23 | 11.80 | 1.98 | 2.2 | 0 | |
| 80x40 | 2.3 | 2.750 | 3.506 | 0 | 1.11 | 34.90 | 05.56 | 3.16 | 1.26 | 08.73 | 1.92 | 2.4 | 0 |
| 60x30 | 2.3 | 2.030 | 2.586 | 0 | 0.86 | 14.20 | 02.27 | 2.34 | 0.94 | 04.72 | 1.06 | 1.8 | 0 |
| 1.6 | 1.440 | 1.836 | 0 | 0.82 | 10.30 | 01.64 | 2.37 | 0.95 | 03.45 | 0.75 | 1.8 | 0 | |
| 40x40 | 3.2 | 2.750 | 3.503 | 0 | 1.51 | 09.21 | 05.72 | 1.62 | 1.28 | 04.60 | 2.30 | 3.0 | 0 |
| 40x20 | 2.3 | 1.310 | 1.666 | 0 | 0.61 | 03.86 | 00.63 | 1.52 | 0.61 | 01.93 | 0.45 | 1.2 | 0 |
| 1.6 | 0.939 | 1.196 | 0 | 0.57 | 02.90 | 00.46 | 1.56 | 0.62 | 01.45 | 0.32 | 1.2 | 0 | |
| If you require other sizes , please consult us. |
|||||||||||||
top

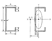
Section Properties Lip channel section
Dimensions(mm-size)
| Dimensions | Mass | Area | Center of gravity | Moment of inertia | Radius of gyration | Elastic section modulus | Shear center | ||||||
|---|---|---|---|---|---|---|---|---|---|---|---|---|---|
| HxAxC | t | Cx | Cy | Ix | Iy | ix | iy | Zx | Zy | Sx | Sy | ||
| mm | mm | kg/m | cm2 | cm | cm | cm4 | cm4 | cm | cm | cm3 | cm3 | cm | cm |
| 250x75x25 | 4.5 | 14.90 | 18.920 | 0 | 2.07 | 1690.0 | 129.00 | 9.44 | 2.62 | 135.00 | 23.80 | 5.1 | 0 |
| 4.0 | 13.30 | 16.950 | 0 | 2.07 | 1520.0 | 118.00 | 9.48 | 2.64 | 122.00 | 21.80 | 5.2 | 0 | |
| 250x75x20 | 4.5 | 14.50 | 18.470 | 0 | 1.95 | 1640.0 | 117.00 | 9.42 | 2.52 | 131.00 | 21.00 | 4.9 | 0 |
| 4.0 | 13.00 | 16.550 | 0 | 1.95 | 1480.0 | 107.00 | 9.46 | 2.54 | 118.00 | 19.30 | 4.8 | 0 | |
| 200x75x25 | 4.5 | 13.10 | 16.670 | 0 | 2.32 | 990. | 121.00 | 7.71 | 2.69 | 99.0 | 23.30 | 5.6 | 0 |
| 4.0 | 11.70 | 14.950 | 0 | 2.32 | 895. | 110.00 | 7.74 | 2.72 | 89.5 | 21.30 | 5.7 | 0 | |
| 3.2 | 09.52 | 12.130 | 0 | 2.33 | 736. | 92.3 | 7.79 | 2.76 | 73.6 | 17.80 | 5.7 | 0 | |
| 200x75x20 | 4.5 | 12.70 | 16.220 | 0 | 2.19 | 963. | 109.00 | 7.71 | 2.60 | 96.3 | 20.60 | 5.3 | 0 |
| 4.0 | 11.40 | 14.550 | 0 | 2.19 | 871. | 100.00 | 7.74 | 2.62 | 87.1 | 18.90 | 5.3 | 0 | |
| 3.2 | 09.27 | 11.810 | 0 | 2.19 | 716. | 84.1 | 7.79 | 2.67 | 71.6 | 15.80 | 5.4 | 0 | |
| 175x50x20 | 3.2 | 07.38 | 09.407 | 0 | 1.43 | 406. | 29.7 | 6.57 | 1.78 | 46.4 | 08.31 | 3.6 | 0 |
| 2.3 | 05.41 | 06.897 | 0 | 1.43 | 304. | 23.0 | 6.64 | 1.82 | 34.7 | 06.43 | 3.6 | 0 | |
| 150x75x25 | 4.5 | 11.30 | 14.420 | 0 | 2.65 | 501. | 109.00 | 5.90 | 2.75 | 66.9 | 22.50 | 6.3 | 0 |
| 4.0 | 10.20 | 12.920 | 0 | 2.65 | 455. | 99.8 | 5.93 | 2.78 | 60.6 | 20.60 | 6.3 | 0 | |
| 3.2 | 08.27 | 10.530 | 0 | 2.66 | 375. | 83.6 | 5.97 | 2.82 | 50.0 | 17.30 | 6.4 | 0 | |
| 150x75x20 | 4.5 | 11.00 | 13.970 | 0 | 2.50 | 489. | 99.2 | 5.92 | 2.66 | 65.2 | 19.80 | 6.0 | 0 |
| 4.0 | 09.85 | 12.550 | 0 | 2.51 | 444. | 90.9 | 5.95 | 2.69 | 59.2 | 18.20 | 6.0 | 0 | |
| 3.2 | 08.01 | 10.210 | 0 | 2.51 | 366. | 76.4 | 5.99 | 2.74 | 48.9 | 15.30 | 6.1 | 0 | |
| 2.3 | 05.87 | 07.472 | 0 | 2.52 | 273. | 57.9 | 6.04 | 2.78 | 36.4 | 11.60 | 6.1 | 0 | |
| 150x65x20 | 4.5 | 10.30 | 13.070 | 0 | 2.10 | 441. | 69.2 | 5.81 | 2.30 | 58.8 | 15.70 | 5.1 | 0 |
| 4.0 | 09.22 | 11.750 | 0 | 2.11 | 401. | 63.7 | 5.84 | 2.33 | 53.5 | 14.50 | 5.1 | 0 | |
| 3.2 | 07.51 | 09.567 | 0 | 2.11 | 332. | 53.8 | 5.89 | 2.37 | 44.3 | 12.20 | 5.1 | 0 | |
| 2.3 | 05.50 | 07.012 | 0 | 2.12 | 248. | 41.1 | 5.94 | 2.42 | 33.0 | 09.37 | 5.2 | 0 | |
| 150x50x20 | 4.5 | 09.20 | 11.720 | 0 | 1.54 | 368. | 35.7 | 5.60 | 1.75 | 49.0 | 10.50 | 3.7 | 0 |
| 4.0 | 08.28 | 10.550 | 0 | 1.54 | 337. | 33.1 | 5.65 | 1.77 | 44.9 | 09.57 | 3.8 | 0 | |
| 3.2 | 06.76 | 08.607 | 0 | 1.54 | 280. | 28.3 | 5.71 | 1.81 | 37.4 | 08.19 | 3.8 | 0 | |
| 2.3 | 04.96 | 06.322 | 0 | 1.55 | 210. | 21.9 | 5.77 | 1.86 | 28.0 | 06.33 | 3.8 | 0 | |
| 125x50x20 | 4.5 | 08.32 | 10.590 | 0 | 1.68 | 238. | 33.5 | 4.74 | 1.78 | 38.0 | 10.00 | 4.0 | 0 |
| 4.0 | 07.50 | 09.548 | 0 | 1.68 | 217. | 31.1 | 4.77 | 1.81 | 34.7 | 09.38 | 4.0 | 0 | |
| 3.2 | 06.13 | 07.807 | 0 | 1.68 | 181. | 26.6 | 4.82 | 1.85 | 29.0 | 08.02 | 4.0 | 0 | |
| 2.3 | 04.51 | 05.747 | 0 | 1.69 | 137. | 20.6 | 4.88 | 1.89 | 021.99 | 06.22 | 4.1 | 0 | |
| 120x60x25 | 3.2 | 06.76 | 08.607 | 0 | 2.26 | 191. | 45.2 | 4.71 | 2.29 | 31.8 | 12.10 | 5.4 | 0 |
| 2.3 | 04.96 | 06.322 | 0 | 2.27 | 143. | 34.5 | 4.76 | 2.34 | 23.9 | 09.23 | 5.5 | 0 | |
| 120x60x20 | 4.5 | 08.85 | 11.270 | 0 | 2.11 | 245. | 52.2 | 4.67 | 2.15 | 40.9 | 13.40 | 4.9 | 0 |
| 4.0 | 07.97 | 10.150 | 0 | 2.12 | 224. | 48.2 | 4.69 | 2.18 | 37.3 | 12.40 | 4.9 | 0 | |
| 3.2 | 06.51 | 08.287 | 0 | 2.12 | 186. | 40.9 | 4.70 | 2.22 | 31.0 | 10.5 | 4.9 | 0 | |
| 2.3 | 04.78 | 06.092 | 0 | 2.13 | 140. | 31.3 | 4.79 | 2.27 | 23.3 | 08.10 | 5.1 | 0 | |
| 100x50x20 | 3.2 | 05.50 | 07.007 | 0 | 1.86 | 107. | 24.5 | 3.90 | 1.87 | 21.3 | 07.81 | 4.4 | 0 |
| 2.3 | 04.06 | 05.172 | 0 | 1.86 | 0080.7 | 19.0 | 3.95 | 1.92 | 16.1 | 06.06 | 4.4 | 0 | |
| 1.6 | 02.88 | 03.672 | 0 | 1.87 | 0058.4 | 14.0 | 3.99 | 1.95 | 11.7 | 04.47 | 4.5 | 0 | |
| 75x45x15 | 2.3 | 03.25 | 04.137 | 0 | 1.72 | 0037.1 | 11.8 | 3.00 | 1.69 | 009.90 | 04.24 | 4.0 | 0 |
| 1.6 | 02.32 | 02.952 | 0 | 1.72 | 0027.1 | 008.71 | 3.03 | 1.72 | 007.24 | 03.13 | 4.1 | 0 | |
| 60x30x10 | 2.3 | 02.25 | 02.872 | 0 | 1.06 | 0015.6 | 003.32 | 2.33 | 1.07 | 005.20 | 01.71 | 2.5 | 0 |
| 1.6 | 01.63 | 02.072 | 0 | 1.06 | 0011.6 | 002.56 | 2.37 | 1.11 | 003.88 | 01.32 | 2.5 | 0 | |
If you require other sizes, please consult us.
|
|||||||||||||
top

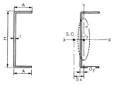
Section Properties Light channel section
Dimensions(mm-size)
| Dimensions | Mass | Area | Center of gravity | Moment of inertia | Radius of gyration | Elastic section modulus | Shear center | ||||||
|---|---|---|---|---|---|---|---|---|---|---|---|---|---|
| H x A | t | Cx | Cy | Ix | Iy | ix | iy | Zx | Zy | Sx | Sy | ||
| mm | mm | kg/m | cm2 | cm | cm | cm4 | cm4 | cm | cm | cm3 | cm3 | cm | cm |
| 450x75 | 6.0 | 27.30 | 34.820 | 0 | 1.190 | 8400.0 | 122.00 | 15.50 | 1.87 | 374.0 | 19.40 | 2.7 | 0 |
| 4.5 | 20.70 | 26.330 | 0 | 1.130 | 6430.0 | 94.3 | 15.60 | 1.89 | 286.0 | 14.80 | 2.7 | 0 | |
| 4.0 | 18.40 | 23.470 | 0 | 1.110 | 5760.0 | 84.6 | 15.70 | 1.90 | 256.0 | 13.20 | 2.7 | 0 | |
| 450x50 | 6.0 | 25.00 | 31.820 | 0 | 0.710 | 6930.0 | 36.9 | 14.80 | 1.08 | 308.0 | 08.61 | 1.4 | 0 |
| 4.5 | 18.90 | 24.080 | 0 | 0.650 | 5320.0 | 28.7 | 14.90 | 1.09 | 236.0 | 06.59 | 1.4 | 0 | |
| 4.0 | 16.90 | 21.470 | 0 | 0.630 | 4760.0 | 25.8 | 14.90 | 1.10 | 212.0 | 05.90 | 1.4 | 0 | |
| 400x75 | 6.0 | 25.00 | 31.820 | 0 | 1.280 | 6230.0 | 120.00 | 14.00 | 1.94 | 312.0 | 19.20 | 2.9 | 0 |
| 4.5 | 18.90 | 24.080 | 0 | 1.210 | 4780.0 | 92.2 | 14.10 | 1.96 | 239.0 | 14.70 | 2.9 | 0 | |
| 4.0 | 16.90 | 21.470 | 0 | 1.190 | 4280.0 | 82.8 | 14.10 | 1.96 | 214.0 | 13.10 | 2.9 | 0 | |
| 400x50 | 6.0 | 22.60 | 28.820 | 0 | 0.750 | 5070.0 | 36.3 | 13.30 | 1.12 | 253.0 | 08.54 | 1.5 | 0 |
| 4.5 | 17.10 | 21.830 | 0 | 0.690 | 3900.0 | 28.2 | 13.40 | 1.14 | 195.0 | 06.54 | 1.5 | 0 | |
| 4.0 | 15.30 | 19.470 | 0 | 0.670 | 3490.0 | 25.4 | 13.40 | 1.14 | 175.0 | 05.86 | 1.5 | 0 | |
| 350x75 | 6.0 | 22.60 | 28.820 | 0 | 1.380 | 4450.0 | 116.00 | 12.40 | 2.01 | 254.0 | 19.00 | 3.2 | 0 |
| 4.5 | 17.10 | 21.830 | 0 | 1.320 | 3420.0 | 89.8 | 12.50 | 2.03 | 196.0 | 14.50 | 3.2 | 0 | |
| 4.0 | 15.30 | 19.470 | 0 | 1.290 | 3070.0 | 80.6 | 12.50 | 2.03 | 175.0 | 13.00 | 3.2 | 0 | |
| 3.2 | 12.30 | 15.660 | 0 | 1.260 | 2480.0 | 65.5 | 12.60 | 2.04 | 142.0 | 10.50 | 3.2 | 0 | |
| 350x50 | 6.0 | 20.30 | 25.820 | 0 | 0.810 | 3570.0 | 35.3 | 11.80 | 1.17 | 204.0 | 08.44 | 1.6 | 0 |
| 4.5 | 15.40 | 19.580 | 0 | 0.750 | 2750.0 | 27.5 | 11.90 | 1.19 | 157.0 | 06.48 | 1.6 | 0 | |
| 4.0 | 13.70 | 17.470 | 0 | 0.730 | 2470.0 | 24.8 | 11.90 | 1.19 | 141.0 | 05.81 | 1.6 | 0 | |
| 3.2 | 11.00 | 14.060 | 0 | 0.690 | 2000.0 | 20.3 | 11.90 | 1.20 | 115.0 | 04.71 | 1.7 | 0 | |
| 300x75 | 6.0 | 20.30 | 25.820 | 0 | 1.511 | 3040.0 | 112.00 | 10.80 | 2.08 | 202.0 | 18.70 | 3.5 | 0 |
| 4.5 | 15.40 | 19.580 | 0 | 1.440 | 2340.0 | 86.7 | 10.90 | 2.10 | 156.0 | 14.30 | 3.5 | 0 | |
| 4.0 | 13.70 | 17.470 | 0 | 1.420 | 2100.0 | 77.9 | 11.00 | 2.11 | 140.0 | 12.80 | 3.5 | 0 | |
| 3.2 | 11.00 | 14.060 | 0 | 1.380 | 1700.0 | 63.3 | 11.00 | 2.12 | 114.0 | 10.40 | 3.5 | 0 | |
| 300x50 | 6.0 | 17.90 | 22.820 | 0 | 0.870 | 2390.0 | 34.5 | 10.20 | 1.23 | 159.0 | 08.36 | 1.8 | 0 |
| 4.5 | 13.60 | 17.330 | 0 | 0.820 | 1850.0 | 26.8 | 10.30 | 1.24 | 123.0 | 06.41 | 1.8 | 0 | |
| 4.0 | 12.10 | 15.470 | 0 | 0.800 | 1660.0 | 24.1 | 10.40 | 1.25 | 111.0 | 05.74 | 1.8 | 0 | |
| 3.2 | 09.78 | 12.460 | 0 | 0.766 | 1350.0 | 19.8 | 10.40 | 1.26 | 090.0 | 04.66 | 1.8 | 0 | |
| 250x75 | 6.0 | 17.90 | 22.820 | 0 | 1.660 | 1940.0 | 107.00 | 09.23 | 2.17 | 155.0 | 18.40 | 3.7 | 0 |
| 4.5 | 13.60 | 17.330 | 0 | 1.600 | 1500.0 | 82.9 | 09.31 | 2.19 | 120.0 | 14.00 | 3.8 | 0 | |
| 4.0 | 12.10 | 15.470 | 0 | 1.580 | 1350.0 | 74.5 | 09.34 | 2.19 | 108.0 | 12.60 | 3.8 | 0 | |
| 250x50 | 6.0 | 15.60 | 19.820 | 0 | 0.970 | 1500.0 | 33.1 | 08.69 | 1.29 | 120.0 | 08.20 | 2.0 | 0 |
| 4.5 | 11.80 | 15.080 | 0 | 0.910 | 1160.0 | 25.9 | 08.78 | 1.31 | 093.0 | 06.31 | 2.0 | 0 | |
| 4.0 | 10.60 | 13.470 | 0 | 0.880 | 1050.0 | 23.3 | 08.81 | 1.32 | 083.7 | 05.66 | 2.0 | 0 | |
| 200x75 | 6.0 | 15.60 | 19.820 | 0 | 1.870 | 1130.0 | 101.00 | 07.56 | 2.25 | 113.0 | 17.90 | 4.1 | 0 |
| 4.5 | 11.80 | 15.080 | 0 | 1.800 | 881. | 78.0 | 07.64 | 2.27 | 088.1 | 13.70 | 4.2 | 0 | |
| 4.0 | 10.60 | 13.470 | 0 | 1.780 | 792. | 70.1 | 07.67 | 2.28 | 079.2 | 12.30 | 4.2 | 0 | |
| 3.2 | 08.53 | 10.860 | 0 | 1.750 | 645. | 57.0 | 07.71 | 2.29 | 064.5 | 09.92 | 4.2 | 0 | |
| 200x50 | 6.0 | 13.20 | 16.820 | 0 | 1.090 | 852. | 31.4 | 07.12 | 1.37 | 085.2 | 08.03 | 2.2 | 0 |
| 4.5 | 10.10 | 12.830 | 0 | 1.030 | 666. | 24.6 | 07.20 | 1.38 | 066.6 | 06.19 | 2.2 | 0 | |
| 4.0 | 09.00 | 11.470 | 0 | 1.000 | 600. | 22.2 | 07.23 | 1.39 | 060.0 | 05.55 | 2.2 | 0 | |
| 3.2 | 07.27 | 09.263 | 0 | 0.970 | 490. | 18.2 | 07.28 | 1.40 | 049.0 | 04.51 | 2.3 | 0 | |
| 150x75 | 6.0 | 13.20 | 16.820 | 0 | 2.150 | 573. | 91.9 | 05.84 | 2.34 | 076.4 | 17.20 | 4.6 | 0 |
| 4.5 | 10.10 | 12.830 | 0 | 2.080 | 448. | 71.4 | 05.91 | 2.36 | 059.8 | 13.20 | 4.6 | 0 | |
| 4.0 | 09.00 | 11.470 | 0 | 2.060 | 404. | 64.2 | 05.93 | 2.36 | 053.9 | 11.80 | 4.6 | 0 | |
| 3.2 | 07.27 | 09.263 | 0 | 2.020 | 330. | 52.3 | 05.97 | 2.38 | 044.0 | 09.55 | 4.7 | 0 | |
| 150x50 | 6.0 | 10.80 | 13.820 | 0 | 1.250 | 417. | 29.2 | 05.50 | 1.45 | 055.6 | 07.77 | 2.6 | 0 |
| 4.5 | 08.31 | 10.580 | 0 | 1.200 | 329. | 22.8 | 05.58 | 1.47 | 043.9 | 05.99 | 2.6 | 0 | |
| 4.0 | 07.44 | 09.474 | 0 | 1.170 | 297. | 20.6 | 05.60 | 1.47 | 039.6 | 05.38 | 2.6 | 0 | |
| 3.2 | 06.02 | 07.663 | 0 | 1.140 | 244. | 16.9 | 05.64 | 1.48 | 032.5 | 04.37 | 2.6 | 0 | |
| 2.3 | 04.38 | 05.576 | 0 | 1.100 | 181. | 12.5 | 05.69 | 1.50 | 024.1 | 03.20 | 2.6 | 0 | |
| 120x40 | 3.2 | 04.76 | 06.063 | 0 | 0.940 | 122. | 008.43 | 04.48 | 1.18 | 020.3 | 02.75 | 2.1 | 0 |
| 2.3 | 03.47 | 04.426 | 0 | 0.900 | 0090.8 | 006.28 | 04.53 | 1.19 | 015.1 | 02.02 | 02.11 | 0 | |
| If you require other sizes, please consult us. | |||||||||||||


NOTE)