サイトマップ
Language
日本製鉄株式会社
小
中
大
企業情報
取扱商品
資料ダウンロード
お問い合わせ
環境への取り組み
ホーム
>
取扱商品
>
土木商品
>U字フリューム
コルゲ-トパイプの特性を活かした開渠型水路です。かんがい用水路、地すべり地区の集・排水路、土木工事用の仮排水路や、切り廻しなどに広く使用されています。
主な特長
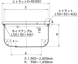
商品形状
新商品「NSライニング」
新商品「NSペービング」
主な用途
コルゲート商品
|
U字フリューム
|
ライナープレート
|
軽量鋼矢板
|
シートウォール
|
鉄矢木
土木商品TOP
軽量で運搬が容易です。
施工が簡単で工期が短縮できます。
優れた強度と耐久性を持っています。
種別の選択が可能です。
経済性に優れています。
A形
B形
C形
D形
E2型(たて波)
2型
E1型(たて波)
主な特徴
主な特徴
かんがい用排水路
道路側溝
土木工事用仮排水路
地すべり防止用集・排水路
流雪溝
トンネル排水路