鋼製型枠・簡易土留・簡易防災
メタルフォーム・型枠支持材
主な特長
- 港湾・橋脚・ダムなどで実績が豊富な鋼製型枠です。
- 側リブと面板を一体成形するフォーミング製法により、高品質で安定した精度を確保します。
- JIS A 8652 同等の性能と一貫した寸法管理で高い信頼性があります。
- 木質合板より支持材を減らせ、施工性と経済性に優れています。
- フラット品からコーナー・ハンチ・透明型枠など、多様な規格・設計対応が可能です。
- 現場条件に応じて選べる 豊富なバタ材を柔軟に提供できます。
- 縦横バタ材を一体化した 施工効率の高いシステムバタ材にも対応可能です。
【メタルフォーム】
【型枠支持材(バタ材)】
仕様
フラットフォーム3015の場合
フラット品規格寸法
その他規格品
規格品・異形品
一般フラット
透明型枠
異形型枠
付属品
Uクリップ
Lピン
タイロッド
メタルプラグ
製品図・寸法表
メタルフォーム製品図(規格品)
フラットフォーム
*印は受注生産品になります
| 区分及び断面形状 | 記号 | 形状・寸法 (mm) |
質量 (kg) |
断面積 (cm2) |
断面二次 モーメント (cm4) |
断面係数 (cm3) |
|---|---|---|---|---|---|---|
|
3018 | 300×1800 | 16.3 | 9.183 | 24.99 | 5.55 |
| 3015 | 300×1500 | 13.7 | ||||
| 3012 | 300×1200 | 11.1 | ||||
| 3010 | 300×1000 | 9.3 | ||||
| 3009 | 300×900 | 8.5 | ||||
| *3007 | 300×750 | 7.1 | ||||
| 3006 | 300×600 | 5.9 | ||||
|
2018 | 200×1800 | 12.6 | 7.03 | 22.77 | 5.38 |
| 2015 | 200×1500 | 10.6 | ||||
| 2012 | 200×1200 | 8.5 | ||||
| 2010 | 200×1000 | 7.1 | ||||
| 2009 | 200×900 | 6.5 | ||||
| *2007 | 200×750 | 5.4 | ||||
| 2006 | 200×600 | 4.5 | ||||
|
1518 | 150×1800 | 8.8 | 4.9 | 14.68 | 3.36 |
| 1515 | 150×1500 | 7.4 | ||||
| 1512 | 150×1200 | 6.0 | ||||
| 1510 | 150×1000 | 5.0 | ||||
| 1509 | 150×900 | 4.6 | ||||
| *1507 | 150×750 | 3.8 | ||||
| 1506 | 150×600 | 3.1 | ||||
|
1018 | 100×1800 | 6.9 | 3.83 | 13.24 | 3.24 |
| 1015 | 100×1500 | 5.8 | ||||
| 1012 | 100×1200 | 4.7 | ||||
| 1010 | 100×1000 | 3.9 | ||||
| 1009 | 100×900 | 3.6 | ||||
| *1007 | 100×750 | 3.0 | ||||
| 1006 | 100×600 | 2.5 |
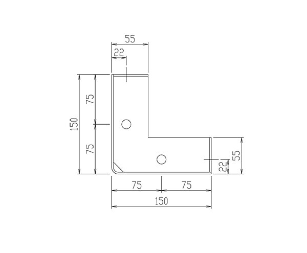
コーナーフォーム (入隅)
| 区分及び断面形状 | 記号 | 形状・寸法 (mm) |
質量 (kg) |
|---|---|---|---|
|
*5518 | 150×150×1800 | 14.2 |
| 5515 | 150×150×1500 | 12.0 | |
| *5512 | 150×150×1200 | 9.7 | |
| *5509 | 150×150×900 | 7.4 | |
| *5507 | 150×150×750 | 6.1 | |
| *5506 | 150×150×600 | 5.1 |
アウトコーナーフォーム (出隅)
| 区分及び断面形状 | 記号 | 形状・寸法 (mm) |
質量 (kg) |
|---|---|---|---|
|
*0018 | 100×100×1800 | 11.5 |
| 0015 | 100×100×1500 | 9.6 | |
| *0012 | 100×100×1200 | 7.8 | |
| *0009 | 100×100×900 | 6.0 | |
| *0007 | 100×100×750 | 5.0 | |
| *0006 | 100×100×600 | 4.2 |
コーナーアングル
| 区分及び断面形状 | 記号 | 形状・寸法 (mm) |
質量 (kg) |
|---|---|---|---|
|
0015 | 50×50×1500 | 3.2 |
| 0012 | 50×50×1200 | 2.6 | |
| 0009 | 50×50×900 | 2.0 | |
| *0007 | 50×50×750 | 1.6 | |
| 0006 | 50×50×600 | 1.3 |
面取フォーム-角面-
| 区分及び断面形状 | 記号 | 形状・寸法 (mm) |
質量 (kg) |
|---|---|---|---|
|
*4515 | 45×50×1500 | 6.2 |
| *4512 | 45×50×1200 | 5.1 | |
| *4509 | 45×50×900 | 3.9 | |
| *4507 | 45×50×750 | 3.2 | |
| *4506 | 45×50×600 | 2.7 |
ハンチフォーム(1:1)
| 区分及び断面形状 | 記号 | 形状・寸法 (mm) |
質量 (kg) |
|---|---|---|---|
|
*C5115 | 50×106.1×1500 | 7.9 |
| *C5112 | 50×106.1×1200 | 6.4 | |
| *C5109 | 50×106.1× 900 | 4.9 | |
| *C5106 | 50×106.1× 600 | 3.1 | |
| *C3115 | 35.3×100×1500 | 7.3 | |
| *C3112 | 35.3×100×1200 | 5.9 | |
| *C3109 | 35.3×100×900 | 4.5 | |
| *C3106 | 35.3×100×600 | 2.9 | |
| *F1415 | 141.4×1500 | 7.7 | |
| *F1412 | 141.4×1200 | 6.2 | |
| F1409 | 141.4×900 | 4.5 | |
| *F1406 | 141.4×600 | 3.1 | |
| *F2115 | 212.2×1500 | 11.5 | |
| *F2112 | 212.2×1200 | 9.3 | |
| *F2109 | 212.2× 900 | 7.1 | |
| *F2106 | 212.2× 600 | 4.6 |
台形フォーム
| 区分及び断面形状 | 記号 | 形状・寸法 (mm) |
質量 (kg) |
断面積 (cm2) |
断面二次 モーメント (cm4) |
断面係数 (cm3) |
曲率半径 (mm) |
|---|---|---|---|---|---|---|---|
|
*1015 | 100×1500 | 6.4 | 4.089 | 14.11 | 3.46 | 800~1100 |
|
*1015 | 100×1500 | 6.4 | 4.089 | 14.11 | 3.46 | 1100~1500 |
施工例
大型ダムフォーム
バケットカーブ
ワーゲン
大型型枠
高架橋
バラセントル
商品へのお問合せ
| 全国支店 | 電話番号 | FAX | 住所 |
|---|---|---|---|
| 本社 | 〒101-0021 東京都千代田区外神田4-14-1 秋葉原UDX 13階 |
||
| 札幌⽀店 | 〒060-0042 北海道札幌市中央区⼤通⻄5-11-1 中央⽇⼟地札幌⼤通ビル5階 |
||
| 東北支店 | 〒980-0811 宮城県仙台市⻘葉区⼀番町3-6-1 ⼀番町平和ビル9階 |
||
| 名古屋⽀店 | 〒460-0003 愛知県名古屋市中区錦2-13-19 瀧定ビル6階 |
||
| ⼤阪⽀店 | 〒541-0042 ⼤阪府⼤阪市中央区今橋4-1-1 淀屋橋三井ビルディング3階 |
||
| 中国営業所 | 〒730-0017 広島県広島市中区鉄砲町10-12 広島鉄砲町ビルディング13階 |
||
| 四国営業所 | 〒760-0017 ⾹川県⾼松市番町1-6-1 両備⾼松ビル12階 |
||
| 九州支店 | 〒812-0025 福岡県福岡市博多区店屋町5-18 博多NSビル2階 |