サイトマップ
Language
日本製鉄株式会社
小
中
大
企業情報
取扱商品
資料ダウンロード
お問い合わせ
環境への取り組み
ホーム
>
取扱商品
>
防護柵
>車止め マチノコダチ
「マチノコダチ」は街をリズミカルに、樹々の木立を思わせる魅力的な都市空間を演出します。
主な特長
仕様
施工実績
防護柵TOP
木のぬくもりを感じるテクスチャーを施した独創性のある外観です。
テーパー加工による3タイプの形状をシーンに合わせて自由に組み合わせることが可能です。
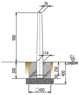
A Type
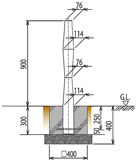
X Type
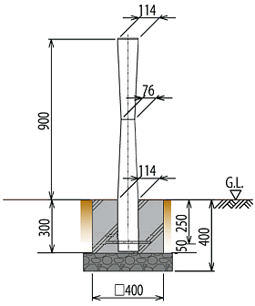
R Type
「マチノコダチ」のテクスチャー
サイズ
φ114 高さ900㎜
材 質
スチール製
表面処理
溶融亜鉛めっき + 焼付塗装
形 式
固定式
カ ラ ー
スケルトンブラック